MATEMATECA
Finalidade: A Matemateca é utilizada como um espaço destinado a criação de materiais audiovisuais, manufatura de objetos para uso didático ou expositivo e atuará como um espaço de incentivo artístico para os alunos e professores do Departamento de Matemática. Venham nos conhecer, todos são muito bem vindos!
Local: Salas 111 e 112, Prédio IC1, 1º andar.
Horário de atendimento: Seg(9h-12h,13h15h-Morgana)(17h-18h-Gustavo); Ter(13h-15h-Davi);Qua(11h-12h,13h-15h-Morgana)(17h-18h-Gustavo); Qui(13h-17h-Davi); Sex(16h-18h-Morgana).
Monitores: Davi, Gustavo e Morgana.
Coordenação: Prof. Fábio Corrêa de Castro (fabio.castro [at] ufes.br)
O laboratório
Localizado no prédio IC 1, na sala 111:
Possuímos duas impressoras 3D de alta qualidade:
Basta usar a criatividade para criar objetos que lhe serão úteis e até mesmo didáticos para as aulas:
Também possuímos inúmeras ferramentas que podem ser emprestadas e/ou usadas no nosso laboratório:



Equipamentos eletro eletrônicos:

Também temos uma enorme máquina de cortar a laser, que também pode ser utilizado por todos:

E se ainda quiser fazer uns cálculos matemáticos ou simplesmente desenhar, o laboratório possui um quadro grande e giz:

Todos os equipamentos podem ser usados pelos alunos e professores. Um de nossos monitores irá lhe orientá-lo.
Projetos executados no laboratório
Os projetos mais significativos pelo coordenador do laboratporio e seus colaboradores:
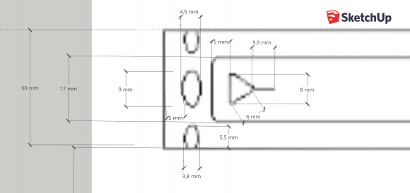
1. Máscaras para corte a Laser











Arquivos:
- Máscara uma peça.rld
- Máscara duas peças.rld
- Máscara uma peça.png
- Máscara duas peças A.png
- Máscara duas peças B.png
- Aba 1.png
- Aba2.png
- Medidas máscaraV1.png
OBS: os arquivos.rld foram produzidos no software RDCAMV6.0.23
Contato: Prof. Fábio Castro (faccast [at] yahoo.com.br)
2. Suporte para Máscara Facial
OBS. Mesmo disponibilizando o arquivo para impressão 3D, este suporte foi projetado pensando mais no corte a laser. Isto permite a produção em grande escala e em curto tempo. A impressão 3D é muito demorada, cara e com menos precisão.
Contato: Prof. Fábio Castro (faccast [at] yahoo.com.br)
- Suporte.skp (para visualização no Sketchup)
- Suporte.stl (para impressão 3D)








